HOME >> Services >> Partners >> INA Bearing
FAG Bearing
IKO Bearing
INA Bearing
KOYO Bearing
NACHI Bearing
NSK Bearing
NTN Bearing
SKF Bearing
TIMKEN Bearing

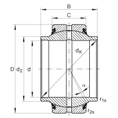
Bearing number : GE40-HO-2RS
Size (mm) : 40x62x38
Brand : INA
Bore Diameter (mm) : 40
Outer Diameter (mm) : 62
Width (mm) : 38
C (mm) : 22
Da min (mm) : 51
d2 (mm) : 45
dK (mm) : 53
r1s min (mm) : 0,3
r2s min (mm) : 1
alf (°) : 3
Weight (kg) : 0,32
Cr (N) : 99100
C0r (N) : 496000