HOME >> Services >> Partners >> INA Bearing
FAG Bearing
IKO Bearing
INA Bearing
KOYO Bearing
NACHI Bearing
NSK Bearing
NTN Bearing
SKF Bearing
TIMKEN Bearing

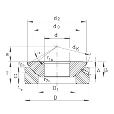
Bearing number : GE40-AX
Size (mm) : 40x105x27
Brand : INA
Bore Diameter (mm) : 40
Outer Diameter (mm) : 105
Width (mm) : 27
T (mm) : 32
A (mm) : 9
C (mm) : 22
D1 (mm) : 59
Da min (mm) : 64
da max (mm) : 78
dK (mm) : 114
d3 (mm) : 78
r1s min (mm) : 0,3
s (mm) : 24,5
alf (°) : 6
Weight (kg) : 1,7
Ca (N) : 373000
C0a (N) : 1860000