HOME >> Services >> Partners >> INA Bearing
FAG Bearing
IKO Bearing
INA Bearing
KOYO Bearing
NACHI Bearing
NSK Bearing
NTN Bearing
SKF Bearing
TIMKEN Bearing

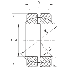
Bearing number : GE38-ZO
Size (mm) : 38.1x61.913x33.325
Brand : INA
Bore Diameter (mm) : 38,1
Outer Diameter (mm) : 61,913
Width (mm) : 33,325
C (mm) : 28,575
Da min (mm) : 46,5
da max (mm) : 41,2
dK (mm) : 53
r1s min (mm) : 0,6
r2s min (mm) : 1
alf (°) : 6
Weight (kg) : 0,4
Cr (N) : 121000
C0r (N) : 364000