HOME >> Services >> Partners >> INA Bearing
FAG Bearing
IKO Bearing
INA Bearing
KOYO Bearing
NACHI Bearing
NSK Bearing
NTN Bearing
SKF Bearing
TIMKEN Bearing

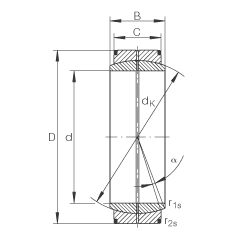
Bearing number : GE360-DO
Size (mm) : 360x480x160
Brand : INA
Bore Diameter (mm) : 360
Outer Diameter (mm) : 480
Width (mm) : 160
C (mm) : 135
Da min (mm) : 403
da max (mm) : 388,3
dK (mm) : 420
r1s min (mm) : 1,1
r2s min (mm) : 3
alf (°) : 3,6
Weight (kg) : 84,2
Cr (N) : 4830000
C0r (N) : 24200000