HOME >> Services >> Partners >> INA Bearing
FAG Bearing
IKO Bearing
INA Bearing
KOYO Bearing
NACHI Bearing
NSK Bearing
NTN Bearing
SKF Bearing
TIMKEN Bearing

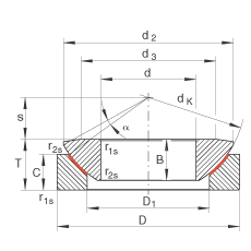
Bearing number : GE30-AW
Size (mm) : 30x75x18
Brand : INA
Bore Diameter (mm) : 30
Outer Diameter (mm) : 75
Width (mm) : 18
T (mm) : 26
C (mm) : 19,5
D1 (mm) : 44
Da min (mm) : 49
da max (mm) : 56
d2 (mm) : 69
dK (mm) : 80
d3 (mm) : 56
r1s min (mm) : 0,3
s (mm) : 17,5
alf (°) : 6
Weight (kg) : 0,65
Ca (N) : 509000
C0a (N) : 848000