HOME >> Services >> Partners >> INA Bearing
FAG Bearing
IKO Bearing
INA Bearing
KOYO Bearing
NACHI Bearing
NSK Bearing
NTN Bearing
SKF Bearing
TIMKEN Bearing

Bearing number : GE 280 AW
Size (mm) : 280x460x110
Brand : INA
Bore Diameter (mm) : 280
Outer Diameter (mm) : 460
Width (mm) : 110
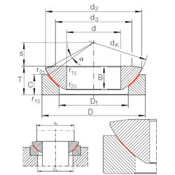
d - 280 mm
D - 460 mm
T - 110 mm
B - 100 mm
C - 85 mm
d2 - 445 mm
d3 - 366 mm
dk - 480 mm
r1 min. - 3 mm
r2 min. - 1 mm
D1 - 337 mm
S - 80 mm
da max - 366 mm
Da min - 355 mm
Angle - 4 °
Weight - 84 Kg
Basic dynamic load rating (C) - 17130 kN
Basic static load rating (C0) - 28560 kN