
Spherical plain bearing GE280-AW
Bearing number : GE280-AW
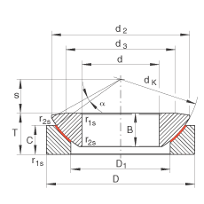
Size (mm) : 280x460x100
Brand : INA
Bore Diameter (mm) : 280
Outer Diameter (mm) : 460
Width (mm) : 100
T (mm) : 110
C (mm) : 85
D1 (mm) : 337
Da min (mm) : 355
da max (mm) : 366
d2 (mm) : 445
dK (mm) : 480
d3 (mm) : 366
r1s min (mm) : 1
s (mm) : 80
alf (°) : 4
Weight (kg) : 84
Ca (N) : 17100000
C0a (N) : 28600000

FAG Bearing
IKO Bearing
INA Bearing
KOYO Bearing
NACHI Bearing
NSK Bearing
NTN Bearing
SKF Bearing
TIMKEN Bearing