HOME >> Services >> Partners >> INA Bearing
FAG Bearing
IKO Bearing
INA Bearing
KOYO Bearing
NACHI Bearing
NSK Bearing
NTN Bearing
SKF Bearing
TIMKEN Bearing

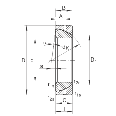
Bearing number : GE25-SX
Size (mm) : 25x47x14
Brand : INA
Bore Diameter (mm) : 25
Outer Diameter (mm) : 47
Width (mm) : 14
T (mm) : 15
A (mm) : 7,5
C (mm) : 14
D1 (mm) : 31,4
Da min (mm) : 34
da max (mm) : 30,1
db max (mm) : 39,5
dK (mm) : 42,5
Db min (mm) : 43
r1s min (mm) : 0,6
r2s min (mm) : 0,2
s (mm) : 1
alf (°) : 2,7
Weight (kg) : 0,14
Cr (N) : 47800
C0r (N) : 239000