HOME >> Services >> Partners >> INA Bearing
FAG Bearing
IKO Bearing
INA Bearing
KOYO Bearing
NACHI Bearing
NSK Bearing
NTN Bearing
SKF Bearing
TIMKEN Bearing

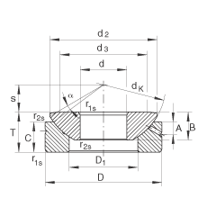
Bearing number : GE20-AX
Size (mm) : 20x55x14.3
Brand : INA
Bore Diameter (mm) : 20
Outer Diameter (mm) : 55
Width (mm) : 14,3
T (mm) : 20
A (mm) : 6
C (mm) : 13
D1 (mm) : 33,5
Da min (mm) : 38
da max (mm) : 40
dK (mm) : 60
d3 (mm) : 40
r1s min (mm) : 0,3
s (mm) : 12,5
alf (°) : 6
Weight (kg) : 0,26
Ca (N) : 75100
C0a (N) : 375000