HOME >> Services >> Partners >> INA Bearing
FAG Bearing
IKO Bearing
INA Bearing
KOYO Bearing
NACHI Bearing
NSK Bearing
NTN Bearing
SKF Bearing
TIMKEN Bearing

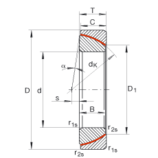
Bearing number : GE190-SW
Size (mm) : 190x290x61
Brand : INA
Bore Diameter (mm) : 190
Outer Diameter (mm) : 290
Width (mm) : 61
T (mm) : 64
C (mm) : 61
D1 (mm) : 211,8
Da min (mm) : 226
da max (mm) : 207,9
db max (mm) : 252
dK (mm) : 275
Db min (mm) : 278
r1s min (mm) : 1
s (mm) : 29
alf (°) : 1,3
Weight (kg) : 18,2
Cr (N) : 4110000
C0r (N) : 6850000