
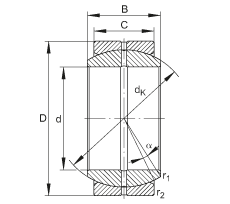
Spherical plain bearing GE180-DO
Bearing number : GE180-DO
Size (mm) : 180x260x105
Brand : INA
Bore Diameter (mm) : 180
Outer Diameter (mm) : 260
Width (mm) : 105
C (mm) : 80
Da min (mm) : 219
da max (mm) : 198,9
dK (mm) : 225
r1s min (mm) : 1,1
r2s min (mm) : 1,1
alf (°) : 6
Weight (kg) : 18,2
Cr (N) : 1530000
C0r (N) : 7650000

FAG Bearing
IKO Bearing
INA Bearing
KOYO Bearing
NACHI Bearing
NSK Bearing
NTN Bearing
SKF Bearing
TIMKEN Bearing