HOME >> Services >> Partners >> INA Bearing
FAG Bearing
IKO Bearing
INA Bearing
KOYO Bearing
NACHI Bearing
NSK Bearing
NTN Bearing
SKF Bearing
TIMKEN Bearing

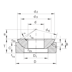
Bearing number : GE180-AX
Size (mm) : 180x320x70
Brand : INA
Bore Diameter (mm) : 180
Outer Diameter (mm) : 320
Width (mm) : 70
T (mm) : 86
A (mm) : 26
C (mm) : 60
D1 (mm) : 224
Da min (mm) : 236
da max (mm) : 240
dK (mm) : 335
d3 (mm) : 240
r1s min (mm) : 0,6
s (mm) : 67,5
alf (°) : 8
Weight (kg) : 31,6
Ca (N) : 2120000
C0a (N) : 10630000