HOME >> Services >> Partners >> INA Bearing
FAG Bearing
IKO Bearing
INA Bearing
KOYO Bearing
NACHI Bearing
NSK Bearing
NTN Bearing
SKF Bearing
TIMKEN Bearing

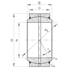
Bearing number : GE17-DO-2RS
Size (mm) : 17x30x14
Brand : INA
Bore Diameter (mm) : 17
Outer Diameter (mm) : 30
Width (mm) : 14
C (mm) : 10
Da min (mm) : 24
da max (mm) : 20,7
dK (mm) : 25
r1s min (mm) : 0,3
r2s min (mm) : 0,3
alf (°) : 10
Weight (kg) : 0,039
Cr (N) : 21300
C0r (N) : 106000