HOME >> Services >> Partners >> INA Bearing
FAG Bearing
IKO Bearing
INA Bearing
KOYO Bearing
NACHI Bearing
NSK Bearing
NTN Bearing
SKF Bearing
TIMKEN Bearing

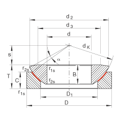
Bearing number : GE17-AW
Size (mm) : 17x47x11.5
Brand : INA
Bore Diameter (mm) : 17
Outer Diameter (mm) : 47
Width (mm) : 11,5
T (mm) : 16
C (mm) : 11,5
D1 (mm) : 28
Da min (mm) : 30,5
da max (mm) : 34
d2 (mm) : 43,4
dK (mm) : 50
d3 (mm) : 34
r1s min (mm) : 0,2
s (mm) : 11
alf (°) : 6
Weight (kg) : 0,16
Ca (N) : 178000
C0a (N) : 296000