HOME >> Services >> Partners >> INA Bearing
FAG Bearing
IKO Bearing
INA Bearing
KOYO Bearing
NACHI Bearing
NSK Bearing
NTN Bearing
SKF Bearing
TIMKEN Bearing

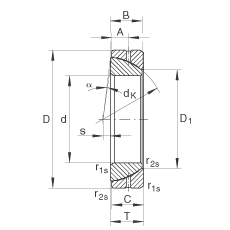
Bearing number : GE160-SX
Size (mm) : 160x240x48
Brand : INA
Bore Diameter (mm) : 160
Outer Diameter (mm) : 240
Width (mm) : 48
T (mm) : 51
A (mm) : 25,5
C (mm) : 48
D1 (mm) : 181,4
Da min (mm) : 195
da max (mm) : 177,7
db max (mm) : 206
dK (mm) : 225
Db min (mm) : 228
r1s min (mm) : 3
r2s min (mm) : 1
s (mm) : 21
alf (°) : 1,6
Weight (kg) : 9,6
Cr (N) : 874000
C0r (N) : 4370000