HOME >> Services >> Partners >> INA Bearing
FAG Bearing
IKO Bearing
INA Bearing
KOYO Bearing
NACHI Bearing
NSK Bearing
NTN Bearing
SKF Bearing
TIMKEN Bearing

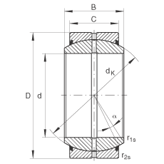
Bearing number : GE160-DO-2RS
Size (mm) : 160x230x105
Brand : INA
Bore Diameter (mm) : 160
Outer Diameter (mm) : 230
Width (mm) : 105
C (mm) : 80
Da min (mm) : 191
da max (mm) : 170,2
dK (mm) : 200
r1s min (mm) : 1
r2s min (mm) : 1
alf (°) : 8
Weight (kg) : 14
Cr (N) : 1360000
C0r (N) : 6800000