HOME >> Services >> Partners >> INA Bearing
FAG Bearing
IKO Bearing
INA Bearing
KOYO Bearing
NACHI Bearing
NSK Bearing
NTN Bearing
SKF Bearing
TIMKEN Bearing

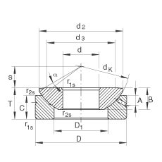
Bearing number : GE160-AX
Size (mm) : 160x290x65
Brand : INA
Bore Diameter (mm) : 160
Outer Diameter (mm) : 290
Width (mm) : 65
T (mm) : 77
A (mm) : 23
C (mm) : 52
D1 (mm) : 199
Da min (mm) : 211
da max (mm) : 213
dK (mm) : 310
d3 (mm) : 213
r1s min (mm) : 0,6
s (mm) : 65
alf (°) : 7
Weight (kg) : 23,9
Ca (N) : 1890000
C0a (N) : 9460000