HOME >> Services >> Partners >> INA Bearing
FAG Bearing
IKO Bearing
INA Bearing
KOYO Bearing
NACHI Bearing
NSK Bearing
NTN Bearing
SKF Bearing
TIMKEN Bearing

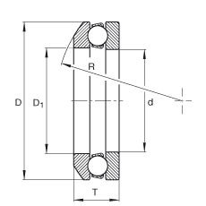
Bearing number : 509
Size (mm) : 45x95x50
Brand : INA
Bore Diameter (mm) : 45
Outer Diameter (mm) : 95
Width (mm) : 50
d - 1,772 inch
d - 45 mm
D - 3,74 inch
D - 95 mm
T - 1,696 inch
T - 50 mm
D1 - 1,85 inch
D1 - 47 mm
R - 80 mm
m - 3,808 lbs / Weight
m - 1,727 kg / Weight
Ca - 32000 lbf / Dynamic load rating (axial)
Ca - 142000 N / Dynamic load rating (axial)
C0a - 54000 lbf / Static load rating (axial)
C0a - 241000 N / Static load rating (axial)
nG - 280 1/min / Limiting speed