HOME >> Services >> Partners >> INA Bearing
FAG Bearing
IKO Bearing
INA Bearing
KOYO Bearing
NACHI Bearing
NSK Bearing
NTN Bearing
SKF Bearing
TIMKEN Bearing

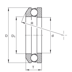
Bearing number : 56RT02
Size (mm) : 142.875x210.058x44.45
Brand : INA
Bore Diameter (mm) : 142,875
Outer Diameter (mm) : 210,058
Width (mm) : 44,45
d - 5,625 inch
d - 142,875 mm
D - 8,27 inch
D - 210,058 mm
T - 1,75 inch
T - 44,45 mm
D1 - 5,73 inch
D1 - 145,54 mm
m - 5,733 lbs / Weight
m - 2,6 kg / Weight
Ca - 135000 lbf / Dynamic load rating (axial)
Ca - 600000 N / Dynamic load rating (axial)
C0a - 467600 lbf / Static load rating (axial)
C0a - 2080000 N / Static load rating (axial)
nG - 1400 1/min / Limiting speed