HOME >> Services >> Partners >> INA Bearing
FAG Bearing
IKO Bearing
INA Bearing
KOYO Bearing
NACHI Bearing
NSK Bearing
NTN Bearing
SKF Bearing
TIMKEN Bearing

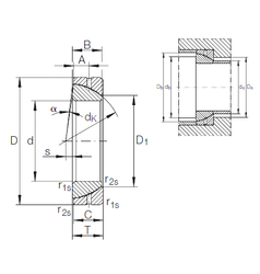
Bearing number : GE 100 SX
Size (mm) : 100x150x32
Brand : INA
Bore Diameter (mm) : 100
Outer Diameter (mm) : 150
Width (mm) : 32
d - 100 mm
D - 150 mm
T - 32 mm
B - 30 mm
C - 30 mm
dk - 140 mm
r1 min. - 2 mm
r2 min. - 0,6 mm
A - 16 mm
D1 - 114,3 mm
S - 12 mm
da max - 112 mm
Da min - 123 mm
db min - 128 mm
Db min. - 142 mm
Angle - 1,7 °
Weight - 2,3 Kg
Basic dynamic load rating (C) - 339 kN
Basic static load rating (C0) - 1690 kN