HOME >> Services >> Partners >> INA Bearing
FAG Bearing
IKO Bearing
INA Bearing
KOYO Bearing
NACHI Bearing
NSK Bearing
NTN Bearing
SKF Bearing
TIMKEN Bearing

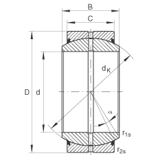
Bearing number : GE110-DO-2RS
Size (mm) : 110x160x70
Brand : INA
Bore Diameter (mm) : 110
Outer Diameter (mm) : 160
Width (mm) : 70
C (mm) : 55
Da min (mm) : 134
da max (mm) : 121,2
dK (mm) : 140
r1s min (mm) : 1
r2s min (mm) : 1
alf (°) : 6
Weight (kg) : 4,7
Cr (N) : 655000
C0r (N) : 3280000