HOME >> Services >> Partners >> INA Bearing
FAG Bearing
IKO Bearing
INA Bearing
KOYO Bearing
NACHI Bearing
NSK Bearing
NTN Bearing
SKF Bearing
TIMKEN Bearing

Bearing number : GE 12 AW
Size (mm) : 12x35x13
Brand : INA
Bore Diameter (mm) : 12
Outer Diameter (mm) : 35
Width (mm) : 13
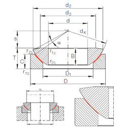
d - 12 mm
D - 35 mm
T - 13 mm
B - 9,3 mm
C - 9 mm
d2 - 32 mm
d3 - 24 mm
dk - 37 mm
r1 min. - 0,6 mm
r2 min. - 0,2 mm
D1 - 19,5 mm
S - 8 mm
da max - 24 mm
Da min - 21,5 mm
Angle - 9 °
Weight - 0,07 Kg
Basic dynamic load rating (C) - 97,2 kN
Basic static load rating (C0) - 162 kN