HOME >> Services >> Partners >> INA Bearing
FAG Bearing
IKO Bearing
INA Bearing
KOYO Bearing
NACHI Bearing
NSK Bearing
NTN Bearing
SKF Bearing
TIMKEN Bearing

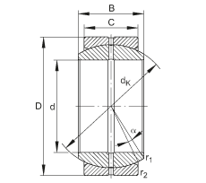
Bearing number : GE140-DO
Size (mm) : 140x210x90
Brand : INA
Bore Diameter (mm) : 140
Outer Diameter (mm) : 210
Width (mm) : 90
C (mm) : 70
Da min (mm) : 173
da max (mm) : 155,8
dK (mm) : 180
r1s min (mm) : 1
r2s min (mm) : 1
alf (°) : 7
Weight (kg) : 11
Cr (N) : 1070000
C0r (N) : 5360000