HOME >> Services >> Partners >> INA Bearing
FAG Bearing
IKO Bearing
INA Bearing
KOYO Bearing
NACHI Bearing
NSK Bearing
NTN Bearing
SKF Bearing
TIMKEN Bearing

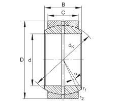
Bearing number : GE100-DO
Size (mm) : 100x150x70
Brand : INA
Bore Diameter (mm) : 100
Outer Diameter (mm) : 150
Width (mm) : 70
C (mm) : 55
Da min (mm) : 123
da max (mm) : 109,5
dK (mm) : 130
r1s min (mm) : 1
r2s min (mm) : 1
alf (°) : 7
Weight (kg) : 4,3
Cr (N) : 608000
C0r (N) : 3040000