HOME >> Services >> Partners >> INA Bearing
FAG Bearing
IKO Bearing
INA Bearing
KOYO Bearing
NACHI Bearing
NSK Bearing
NTN Bearing
SKF Bearing
TIMKEN Bearing

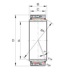
Bearing number : GE1000-DW-2RS2
Size (mm) : 1000x1320x438
Brand : INA
Bore Diameter (mm) : 1000
Outer Diameter (mm) : 1320
Width (mm) : 438
C (mm) : 370
Da min (mm) : 1105
da max (mm) : 1074,1
dK (mm) : 1160
r1s min (mm) : 4
r2s min (mm) : 7,5
alf (°) : 3,5
Weight (kg) : 1755
Cr (N) : 118110000
C0r (N) : 196850000