HOME >> Services >> Partners >> INA Bearing
FAG Bearing
IKO Bearing
INA Bearing
KOYO Bearing
NACHI Bearing
NSK Bearing
NTN Bearing
SKF Bearing
TIMKEN Bearing

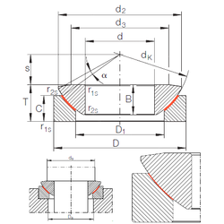
Bearing number : GE 100 AW
Size (mm) : 100x210x59
Brand : INA
Bore Diameter (mm) : 100
Outer Diameter (mm) : 210
Width (mm) : 59
d - 100 mm
D - 210 mm
T - 59 mm
B - 50 mm
C - 42 mm
d2 - 195,5 mm
d3 - 155 mm
dk - 220 mm
r1 min. - 1 mm
r2 min. - 0,3 mm
D1 - 133 mm
S - 45 mm
da max - 155 mm
Da min - 141 mm
Angle - 7 °
Weight - 10,9 Kg
Basic dynamic load rating (C) - 3610 kN
Basic static load rating (C0) - 6020 kN