HOME >> Services >> Partners >> INA Bearing
FAG Bearing
IKO Bearing
INA Bearing
KOYO Bearing
NACHI Bearing
NSK Bearing
NTN Bearing
SKF Bearing
TIMKEN Bearing

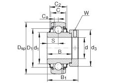
Bearing number : G1104-KRR-B-AS2/V
Size (mm) : 31.7500x72x51.3
Brand : INA
Bore Diameter (mm) : 31,7500
Outer Diameter (mm) : 72
Width (mm) : 51,3
d - 1 1/4 inch
d - 31,7500 mm
DSP - 72 mm
B1 - 51,3 mm
B - 37,7 mm
C - 19 mm
C2 - 22,5 mm
Ca - 5,6 mm
D1 - 60,3 mm
d1 - 46,8 mm
d3 max - 51 mm
S - 18,8 mm
W - 5/32 inch
m - 0,55 kg / Weight
Cr - 25500 N / Dynamic load rating (radial)
C0r - 15300 N / Static load rating (radial)
- 6207 / Reference bearings