
Radial insert ball bearings G1108-KRR-B-AS2/V
Bearing number : G1108-KRR-B-AS2/V
Size (mm) : 38.1000x80x56.5
Brand : INA
Bore Diameter (mm) : 38,1000
Outer Diameter (mm) : 80
Width (mm) : 56,5
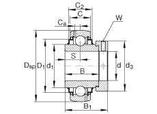
Bearing dimensions and specification in INA catalogue:
d - 1 1/2 inch
d - 38,1000 mm
DSP - 80 mm
B1 - 56,5 mm
B - 42,9 mm
C - 21 mm
C2 - 23,5 mm
Ca - 6,4 mm
D1 - 68,3 mm
d1 - 52,3 mm
d3 max - 58 mm
S - 21,4 mm
W - 3/16 inch
m - 0,74 kg / Weight
Cr - 32500 N / Dynamic load rating (radial)
C0r - 19800 N / Static load rating (radial)
- 6208 / Reference bearings

FAG Bearing
IKO Bearing
INA Bearing
KOYO Bearing
NACHI Bearing
NSK Bearing
NTN Bearing
SKF Bearing
TIMKEN Bearing