
Radial insert ball bearings G1115-KRR-B-AS2/V
Bearing number : G1115-KRR-B-AS2/V
Size (mm) : 49.2125x90x62.8
Brand : INA
Bore Diameter (mm) : 49,2125
Outer Diameter (mm) : 90
Width (mm) : 62,8
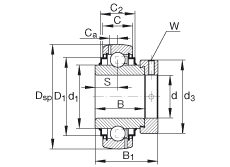
Bearing dimensions and specification in INA catalogue:
d - 1 15/16 inch
d - 49,2125 mm
DSP - 90 mm
B1 - 62,8 mm
B - 49,2 mm
C - 22 mm
C2 - 26,4 mm
Ca - 6,9 mm
D1 - 77,3 mm
d1 - 62,8 mm
d3 max - 69 mm
S - 24,6 mm
W - 3/16 inch
m - 1 kg / Weight
Cr - 35000 N / Dynamic load rating (radial)
C0r - 23200 N / Static load rating (radial)
- 6210 / Reference bearings

FAG Bearing
IKO Bearing
INA Bearing
KOYO Bearing
NACHI Bearing
NSK Bearing
NTN Bearing
SKF Bearing
TIMKEN Bearing