HOME >> Services >> Partners >> INA Bearing
FAG Bearing
IKO Bearing
INA Bearing
KOYO Bearing
NACHI Bearing
NSK Bearing
NTN Bearing
SKF Bearing
TIMKEN Bearing

Bearing number : 29440-E1
Size (mm) : 200x400x122
Brand : INA
Bore Diameter (mm) : 200
Outer Diameter (mm) : 400
Width (mm) : 122
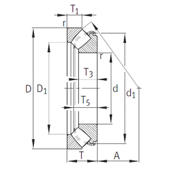
d - 200 mm
D - 400 mm
T - 122 mm
T1 - 59,4 mm
T2 - –
d1 - 360 mm
r min. - 5 mm
A - 122 mm
D1 - 277,5 mm
da min. - 295 mm
Da max. - 338 mm
db max. - 220 mm
Db min. - 406 mm
ra max. - 4 mm
Weight - 63,7 Kg
Basic dynamic load rating (C) - 3 400 kN
Basic static load rating (C0) - 9 500 kN
Reference speed - 860 r/min
Limiting speed - 1 700 r/min
X-life bearings