HOME >> Services >> Partners >> INA Bearing
FAG Bearing
IKO Bearing
INA Bearing
KOYO Bearing
NACHI Bearing
NSK Bearing
NTN Bearing
SKF Bearing
TIMKEN Bearing

Bearing number : 29468-E1
Size (mm) : 340x620x170
Brand : INA
Bore Diameter (mm) : 340
Outer Diameter (mm) : 620
Width (mm) : 170
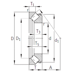
d - 340 mm
D - 620 mm
T - 170 mm
T1 - 84 mm
T2 - –
d1 - 564,9 mm
r min. - 7,5 mm
A - 201 mm
D1 - 445 mm
da min. - 480 mm
Da max. - 541 mm
db max. - 364 mm
Db min. - 630 mm
ra max. - 6 mm
Weight - 208 Kg
Basic dynamic load rating (C) - 7 200 kN
Basic static load rating (C0) - 23 100 kN
Reference speed - 475 r/min
Limiting speed - 1 100 r/min
X-life bearings