HOME >> Services >> Partners >> INA Bearing
FAG Bearing
IKO Bearing
INA Bearing
KOYO Bearing
NACHI Bearing
NSK Bearing
NTN Bearing
SKF Bearing
TIMKEN Bearing

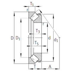
Bearing number : 29472-E1-MB
Size (mm) : 360x640x170
Brand : INA
Bore Diameter (mm) : 360
Outer Diameter (mm) : 640
Width (mm) : 170
d - 360 mm
D - 640 mm
T - 170 mm
T1 - 83,5 mm
T2 - 63 mm
d1 - 585 mm
r min. - 7,5 mm
A - 210 mm
D1 - 474 mm
da min. - 500 mm
Da max. - 560 mm
db max. - 388 mm
Db min. - 650 mm
ra max. - 6 mm
Weight - 230 Kg
Basic dynamic load rating (C) - 6 800 kN
Basic static load rating (C0) - 21 900 kN
Reference speed - 475 r/min
Limiting speed - 1 000 r/min
X-life bearings