HOME >> Services >> Partners >> INA Bearing
FAG Bearing
IKO Bearing
INA Bearing
KOYO Bearing
NACHI Bearing
NSK Bearing
NTN Bearing
SKF Bearing
TIMKEN Bearing

Bearing number : 29476-E1-MB
Size (mm) : 380x670x175
Brand : INA
Bore Diameter (mm) : 380
Outer Diameter (mm) : 670
Width (mm) : 175
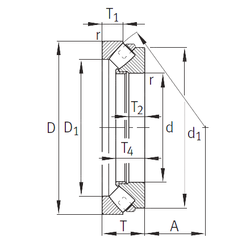
d - 380 mm
D - 670 mm
T - 175 mm
T1 - 87,5 mm
T2 - 67 mm
d1 - 615 mm
r min. - 7,5 mm
A - 222 mm
D1 - 494 mm
da min. - 530 mm
Da max. - 587 mm
db max. - 413 mm
Db min. - 682 mm
ra max. - 6 mm
Weight - 260 Kg
Basic dynamic load rating (C) - 6 100 kN
Basic static load rating (C0) - 24 200 kN
Reference speed - 450 r/min
Limiting speed - 950 r/min