HOME >> Services >> Partners >> INA Bearing
FAG Bearing
IKO Bearing
INA Bearing
KOYO Bearing
NACHI Bearing
NSK Bearing
NTN Bearing
SKF Bearing
TIMKEN Bearing

Bearing number : 4114-AW
Size (mm) : 70x109x34
Brand : INA
Bore Diameter (mm) : 70
Outer Diameter (mm) : 109
Width (mm) : 34
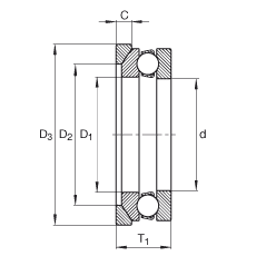
d - 2,756 inch
d - 70 mm
D3 - 4,291 inch
D3 - 109 mm
T1 - 1,339 inch
T1 - 34 mm
C - 0,354 inch
C - 9 mm
D1 - 2,835 inch
D2 - 3,11 inch
D2 - 79 mm
m - 0,42 lbs / Weight
m - 0,191 kg / Weight
Ca - 16600 lbf / Dynamic load rating (axial)
Ca - 74000 N / Dynamic load rating (axial)
C0a - 42000 lbf / Static load rating (axial)
C0a - 187000 N / Static load rating (axial)
nG - 2300 1/min / Limiting speed