HOME >> Services >> Partners >> INA Bearing
FAG Bearing
IKO Bearing
INA Bearing
KOYO Bearing
NACHI Bearing
NSK Bearing
NTN Bearing
SKF Bearing
TIMKEN Bearing

Bearing number : 4118-AW
Size (mm) : 90x141x40
Brand : INA
Bore Diameter (mm) : 90
Outer Diameter (mm) : 141
Width (mm) : 40
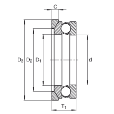
d - 3,543 inch
d - 90 mm
D3 - 5,551 inch
D3 - 141 mm
T1 - 1,575 inch
T1 - 40 mm
C - 0,413 inch
C - 10,5 mm
D1 - 3,662 inch
D2 - 4,201 inch
D2 - 107 mm
m - 0,77 lbs / Weight
m - 0,349 kg / Weight
Ca - 27000 lbf / Dynamic load rating (axial)
Ca - 120000 N / Dynamic load rating (axial)
C0a - 67000 lbf / Static load rating (axial)
C0a - 300000 N / Static load rating (axial)
nG - 1800 1/min / Limiting speed