HOME >> Services >> Partners >> INA Bearing
FAG Bearing
IKO Bearing
INA Bearing
KOYO Bearing
NACHI Bearing
NSK Bearing
NTN Bearing
SKF Bearing
TIMKEN Bearing

Bearing number : 4121-AW
Size (mm) : 105x163x49
Brand : INA
Bore Diameter (mm) : 105
Outer Diameter (mm) : 163
Width (mm) : 49
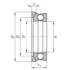
d - 4,134 inch
d - 105 mm
D3 - 6,417 inch
D3 - 163 mm
T1 - 1,929 inch
T1 - 49 mm
C - 0,551 inch
C - 14 mm
D1 - 4,252 inch
D2 - 4,646 inch
D2 - 118 mm
m - 1,6 lbs / Weight
m - 0,726 kg / Weight
Ca - 38000 lbf / Dynamic load rating (axial)
Ca - 169000 N / Dynamic load rating (axial)
C0a - 99000 lbf / Static load rating (axial)
C0a - 440000 N / Static load rating (axial)
nG - 1500 1/min / Limiting speed