HOME >> Services >> Partners >> INA Bearing
FAG Bearing
IKO Bearing
INA Bearing
KOYO Bearing
NACHI Bearing
NSK Bearing
NTN Bearing
SKF Bearing
TIMKEN Bearing

Bearing number : 292/750-E1-MB
Size (mm) : 750x1000x150
Brand : INA
Bore Diameter (mm) : 750
Outer Diameter (mm) : 1000
Width (mm) : 150
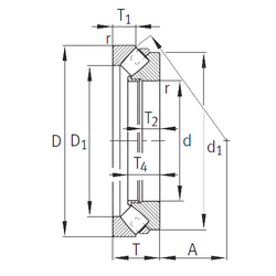
d - 750 mm
D - 1 000 mm
T - 150 mm
T1 - 81 mm
T2 - 54 mm
d1 - 950 mm
r min. - 6 mm
A - 409 mm
D1 - 858 mm
da min. - 875 mm
Da max. - 930 mm
db max. - 789 mm
Db min. - 1 017 mm
ra max. - 5 mm
Weight - 328 Kg
Basic dynamic load rating (C) - 5 700 kN
Basic static load rating (C0) - 31 500 kN
Reference speed - 325 r/min
Limiting speed - 560 r/min