HOME >> Services >> Partners >> INA Bearing
FAG Bearing
IKO Bearing
INA Bearing
KOYO Bearing
NACHI Bearing
NSK Bearing
NTN Bearing
SKF Bearing
TIMKEN Bearing

Bearing number : 292/950-E1-MB
Size (mm) : 950x1250x180
Brand : INA
Bore Diameter (mm) : 950
Outer Diameter (mm) : 1250
Width (mm) : 180
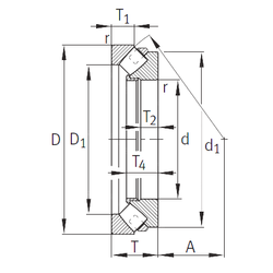
d - 950 mm
D - 1 250 mm
T - 180 mm
T1 - 90 mm
T2 - 65 mm
d1 - 1 190 mm
r min. - 7,5 mm
A - 507 mm
D1 - 1 081 mm
da min. - 1 090 mm
Da max. - 1 101 mm
db max. - 985 mm
Db min. - 1 198 mm
ra max. - 6 mm
Weight - 575 Kg
Basic dynamic load rating (C) - 8 800 kN
Basic static load rating (C0) - 48 500 kN
Reference speed - 250 r/min
Limiting speed - 450 r/min