
Axial deep groove ball bearings 2921
Bearing number : 2921
Size (mm) : 105x140x25
Brand : INA
Bore Diameter (mm) : 105
Outer Diameter (mm) : 140
Width (mm) : 25
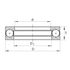
Bearing dimensions and specification in INA catalogue:
d - 4,134 inch
d - 105 mm
D - 5,512 inch
D - 140 mm
T - 0,984 inch
T - 25 mm
D1 - 105,207 mm
D1 - 4,142 inch
m - 2,227 lbs / Weight
m - 1,01 kg / Weight
Ca - 18200 lbf / Dynamic load rating (axial)
Ca - 81000 N / Dynamic load rating (axial)
C0a - 57000 lbf / Static load rating (axial)
C0a - 255000 N / Static load rating (axial)
nG - 1600 1/min / Limiting speed

FAG Bearing
IKO Bearing
INA Bearing
KOYO Bearing
NACHI Bearing
NSK Bearing
NTN Bearing
SKF Bearing
TIMKEN Bearing