HOME >> Services >> Partners >> INA Bearing
FAG Bearing
IKO Bearing
INA Bearing
KOYO Bearing
NACHI Bearing
NSK Bearing
NTN Bearing
SKF Bearing
TIMKEN Bearing

Bearing number : 29230-E1-MB
Size (mm) : 150x215x39
Brand : INA
Bore Diameter (mm) : 150
Outer Diameter (mm) : 215
Width (mm) : 39
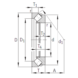
d - 150 mm
D - 215 mm
T - 39 mm
T1 - 20,5 mm
T2 - 14 mm
d1 - 200 mm
r min. - 1,5 mm
A - 82 mm
D1 - 176 mm
da min. - 185 mm
Da max. - 193 mm
db max. - 157 mm
Db min. - 219 mm
ra max. - 1,5 mm
Weight - 4,4 Kg
Basic dynamic load rating (C) - 425 kN
Basic static load rating (C0) - 1 720 kN
Reference speed - 1 560 r/min
Limiting speed - 3 000 r/min