
Axial angular contact roller bearings 29252-E1-MB
Bearing number : 29252-E1-MB
Size (mm) : 260x360x60
Brand : INA
Bore Diameter (mm) : 260
Outer Diameter (mm) : 360
Width (mm) : 60
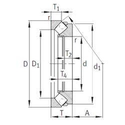
Bearing dimensions and specification in INA catalogue:
d - 260 mm
D - 360 mm
T - 60 mm
T1 - 30 mm
T2 - 22 mm
d1 - 340 mm
r min. - 2,1 mm
A - 139 mm
D1 - 302 mm
da min. - 310 mm
Da max. - 331 mm
db max. - 271 mm
Db min. - 365 mm
ra max. - 2 mm
Weight - 17,8 Kg
Basic dynamic load rating (C) - 1 040 kN
Basic static load rating (C0) - 4 550 kN
Reference speed - 980 r/min
Limiting speed - 1 800 r/min

FAG Bearing
IKO Bearing
INA Bearing
KOYO Bearing
NACHI Bearing
NSK Bearing
NTN Bearing
SKF Bearing
TIMKEN Bearing