HOME >> Services >> Partners >> INA Bearing
FAG Bearing
IKO Bearing
INA Bearing
KOYO Bearing
NACHI Bearing
NSK Bearing
NTN Bearing
SKF Bearing
TIMKEN Bearing

Bearing number : 29292-E1-MB
Size (mm) : 460x620x95
Brand : INA
Bore Diameter (mm) : 460
Outer Diameter (mm) : 620
Width (mm) : 95
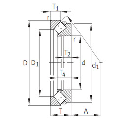
d - 460 mm
D - 620 mm
T - 95 mm
T1 - 46 mm
T2 - 34 mm
d1 - 585 mm
r min. - 5 mm
A - 245 mm
D1 - 530 mm
da min. - 535 mm
Da max. - 575 mm
db max. - 479 mm
Db min. - 632 mm
ra max. - 4 mm
Weight - 77,7 Kg
Basic dynamic load rating (C) - 2 550 kN
Basic static load rating (C0) - 12 200 kN
Reference speed - 550 r/min
Limiting speed - 1 000 r/min