HOME >> Services >> Partners >> INA Bearing
FAG Bearing
IKO Bearing
INA Bearing
KOYO Bearing
NACHI Bearing
NSK Bearing
NTN Bearing
SKF Bearing
TIMKEN Bearing

Bearing number : 29317-E1
Size (mm) : 85x150x39
Brand : INA
Bore Diameter (mm) : 85
Outer Diameter (mm) : 150
Width (mm) : 39
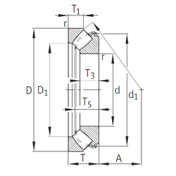
d - 85 mm
D - 150 mm
T - 39 mm
T1 - 20 mm
T2 - –
d1 - 138,5 mm
r min. - 1,5 mm
A - 50 mm
D1 - 109,5 mm
da min. - 120 mm
Da max. - 129 mm
db max. - 92 mm
Db min. - 153 mm
ra max. - 1,5 mm
Weight - 2,7 Kg
Basic dynamic load rating (C) - 420 kN
Basic static load rating (C0) - 1 110 kN
Reference speed - 2 270 r/min
Limiting speed - 4 800 r/min
X-life bearings