INA Bearing

HOME >> Services >> Partners >> INA Bearing

INA Bearing
If you want to confirm some technical details before you order,
just need to send a message or e-mail: spb@spb-bearing.com.
Then our professional sales staff will contact you within 2 hours.

240x380x85240x380xBearing 29348-E1

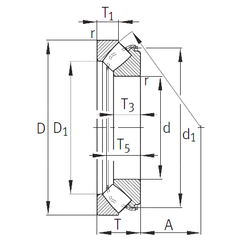
Axial angular contact roller bearings 29348-E1

Bearing number : 29348-E1

Size (mm) : 240x380x85

Brand : INA

Bore Diameter (mm) : 240

Outer Diameter (mm) : 380

Width (mm) : 85

Bearing dimensions and specification in INA catalogue:


d - 240 mm

D - 380 mm

T - 85 mm

T1 - 40,5 mm

T2 - –

d1 - 350,6 mm

r min. - 4 mm

A - 135 mm

D1 - 295,5 mm

da min. - 305 mm

Da max. - 337 mm

db max. - 252 mm

Db min. - 390 mm

ra max. - 3 mm

Weight - 32,8 Kg

Basic dynamic load rating (C) - 2 040 kN

Basic static load rating (C0) - 6 500 kN

Reference speed - 880 r/min

Limiting speed - 1 700 r/min

X-life bearings


  • *Your Name:
  • *E-Mail Address:
  • Country:
  • WhatsApp:
  • *Message:
    • <<Previous Page
    • Next Page>>