HOME >> Services >> Partners >> INA Bearing
FAG Bearing
IKO Bearing
INA Bearing
KOYO Bearing
NACHI Bearing
NSK Bearing
NTN Bearing
SKF Bearing
TIMKEN Bearing

Bearing number : 29360-E1
Size (mm) : 300x480x109
Brand : INA
Bore Diameter (mm) : 300
Outer Diameter (mm) : 480
Width (mm) : 109
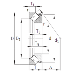
d - 300 mm
D - 480 mm
T - 109 mm
T1 - 51 mm
T2 - –
d1 - 439,6 mm
r min. - 5 mm
A - 168 mm
D1 - 372 mm
da min. - 385 mm
Da max. - 429 mm
db max. - 318 mm
Db min. - 490 mm
ra max. - 4 mm
Weight - 65,1 Kg
Basic dynamic load rating (C) - 3 200 kN
Basic static load rating (C0) - 10 500 kN
Reference speed - 680 r/min
Limiting speed - 1 300 r/min
X-life bearings