HOME >> Services >> Partners >> INA Bearing
FAG Bearing
IKO Bearing
INA Bearing
KOYO Bearing
NACHI Bearing
NSK Bearing
NTN Bearing
SKF Bearing
TIMKEN Bearing

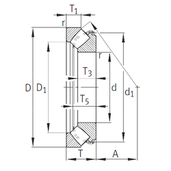
Bearing number : 29376-E1-MB
Size (mm) : 380x600x132
Brand : INA
Bore Diameter (mm) : 380
Outer Diameter (mm) : 600
Width (mm) : 132
d - 380 mm
D - 600 mm
T - 132 mm
T1 - 63,5 mm
T2 - 48 mm
d1 - 555 mm
r min. - 6 mm
A - 216 mm
D1 - 477 mm
da min. - 485 mm
Da max. - 538 mm
db max. - 404 mm
Db min. - 612 mm
ra max. - 5 mm
Weight - 136 Kg
Basic dynamic load rating (C) - 4 500 kN
Basic static load rating (C0) - 15 400 kN
Reference speed - 540 r/min
Limiting speed - 1 100 r/min
X-life bearings