HOME >> Services >> Partners >> NSK Bearing
FAG Bearing
IKO Bearing
INA Bearing
KOYO Bearing
NACHI Bearing
NSK Bearing
NTN Bearing
SKF Bearing
TIMKEN Bearing

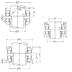
Bearing number : 54417XU
Size (mm) : 85x180x150
Brand : NSK
Bore Diameter (mm) : 85
Outer Diameter (mm) : 180
Width (mm) : 150
d - 85 mm
d2 - 65 mm
D - 180 mm
T - 150 mm
T2 - 89,5 mm
b - 23 mm
d3 - 179,5 mm
r min. - 2,1 mm
r1 min. - 1,1 mm
A1 - 40,5 mm
B - 29 mm
D1 - 88 mm
D2 - 130 mm
D3 - 185 mm
R - 140 mm
Da max. - 130 mm
ra max. - 2 mm
rb max. - 1 mm
Weight - 19,5 Kg
Basic dynamic load rating (C) - 310 kN
Basic static load rating (C0) - 755 kN
(Grease) Lubrication Speed - 800 r/min
(Oil) Lubrication Speed - 1200 r/min