HOME >> Services >> Partners >> NSK Bearing
FAG Bearing
IKO Bearing
INA Bearing
KOYO Bearing
NACHI Bearing
NSK Bearing
NTN Bearing
SKF Bearing
TIMKEN Bearing

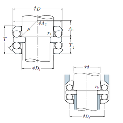
Bearing number : 54236X
Size (mm) : 180x250x102.4
Brand : NSK
Bore Diameter (mm) : 180
Outer Diameter (mm) : 250
Width (mm) : 102,4
d - 180 mm
d2 - 150 mm
D - 250 mm
T - 102,4 mm
T2 - 61,7 mm
d3 - 249 mm
r min. - 1,5 mm
r1 min. - 2 mm
A1 - 108,5 mm
B - 21 mm
D1 - 183 mm
R - 200 mm
Da max. - 210 mm
ra max. - 1,5 mm
rb max. - 2 mm
Weight - 16,1 Kg
Basic dynamic load rating (C) - 284 kN
Basic static load rating (C0) - 955 kN
(Grease) Lubrication Speed - 800 r/min
(Oil) Lubrication Speed - 1200 r/min