HOME >> Services >> Partners >> NSK Bearing
FAG Bearing
IKO Bearing
INA Bearing
KOYO Bearing
NACHI Bearing
NSK Bearing
NTN Bearing
SKF Bearing
TIMKEN Bearing

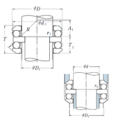
Bearing number : 54218
Size (mm) : 90x135x69
Brand : NSK
Bore Diameter (mm) : 90
Outer Diameter (mm) : 135
Width (mm) : 69
d - 90 mm
d2 - 75 mm
D - 135 mm
T - 69 mm
T2 - 41,5 mm
d3 - 135 mm
r min. - 1,1 mm
r1 min. - 1 mm
A1 - 42 mm
B - 14 mm
D1 - 93 mm
R - 100 mm
Da max. - 110 mm
ra max. - 1 mm
rb max. - 1 mm
Weight - 3,42 Kg
Basic dynamic load rating (C) - 114 kN
Basic static load rating (C0) - 310 kN
(Grease) Lubrication Speed - 1400 r/min
(Oil) Lubrication Speed - 2000 r/min