HOME >> Services >> Partners >> NSK Bearing
FAG Bearing
IKO Bearing
INA Bearing
KOYO Bearing
NACHI Bearing
NSK Bearing
NTN Bearing
SKF Bearing
TIMKEN Bearing

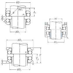
Bearing number : 54215U
Size (mm) : 75x110x57
Brand : NSK
Bore Diameter (mm) : 75
Outer Diameter (mm) : 110
Width (mm) : 57
d - 75 mm
d2 - 60 mm
D - 110 mm
T - 57 mm
T2 - 33,5 mm
b - 9,5 mm
d3 - 110 mm
r min. - 1 mm
r1 min. - 1 mm
A1 - 47,5 mm
B - 10 mm
D1 - 77 mm
D2 - 92 mm
D3 - 115 mm
R - 90 mm
Da max. - 92 mm
ra max. - 1 mm
rb max. - 1 mm
Weight - 2,06 Kg
Basic dynamic load rating (C) - 78 kN
Basic static load rating (C0) - 209 kN
(Grease) Lubrication Speed - 1800 r/min
(Oil) Lubrication Speed - 2600 r/min